Зазаключваща яка с болтово фиксиране, можете да изберете материали въз основа на това, от което се нуждаете. Въглеродна стомана (като SAE 1070/1095) се използва, когато имате нужда от здрав материал за трудни задачи. Неръждаемата стомана (AISI 304/316) работи добре на места, където нещата могат да ръждясват или корозират. Титаниевите сплави са добри за авиационни неща, където се нуждаят от леки, но здрави. Има и специални неща като Inconel® за ситуации с екстремни температури, наистина горещи или наистина студени.
Те тестват внимателно всеки материал, за да се уверят, че издържа - проверяват колко може да се разтегне, без да се счупи (до 1500 MPa) и колко износване може да издържи с течение на времето. Разнообразието от материали означава, че този задържащ пръстен може да работи в много различни среди, от супер студени места до фабрики с висока температура.
Грижа зазаключваща яка с болтово фиксиранеозначава извършване на редовни проверки за затягане на болтовете, износване на повърхността или ръжда. По време на поддръжката затегнете болтовете до препоръчания от производителя въртящ момент (обикновено 20-50 Nm). Използвайте нежни почистващи препарати, за да избършете остатъците и сложете малко грес против задръстване върху резбите, за да улесните разглобяването по-късно. Ако видите пукнатини или пръстенът е деформиран, сменете го. Съхранявайте пръстените на сухо място с контролирана температура, за да ги предпазите от повреда, преди да ги монтирате. Поддържането на тази рутина им помага да работят най-добре и може да ги накара да издържат до 30% по-дълго.

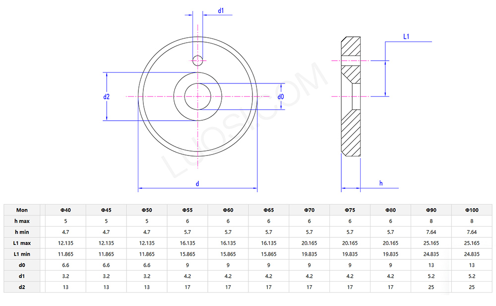
Въпрос: Как да определя правилния размер на aзаключваща яка с болтово фиксиранеза моя диаметър на вала?
О: Избор на правилнотозаключваща яка с болтово фиксиранезависи от дебелината на вашия вал (OD) и вида на резбата. Започнете с измерване на дебелината на вашия вал и го сравнете с ръководството за размер на производителя. Ключови неща, които трябва да се отбележат: вътрешният размер на яката трябва да съответства на резбите на вала, размера на болта и колко масивна е яката. Ако вашият вал не е с резба, ще трябва първо да добавите резби. Винаги проверявайте отново дали резбите са метрични или имперски – смесването им причинява главоболия. За валове с необичаен размер съществуват персонализирани яки, но те ще отнемат допълнително време и пари.
Нашите фиксирани с болтове заключващи яки са направени основно от въглеродна стомана. Избираме този материал, защото има добра здравина и устойчивост на износване, което може да отговори на основните нужди за употреба на продукта.
Преди продуктите да напуснат фабриката, ние покриваме техните повърхности със слой против ръжда. Тази обработка предпазва яките от ръжда, когато се използват във влажна среда или се съхраняват дълго време.
Имаме и допълнителни материали като неръждаема стомана за клиенти, които се нуждаят от по-добра устойчивост на корозия. Дебелината на материала на продукта е проектирана въз основа на стандартните изисквания за носене, така че няма да се деформира или счупи при нормална употреба.
Частта на болта е направена от същия материал като яката, така че целият продукт има постоянна производителност и стабилност.
Разходите за доставка за нашите фиксирани с болтове заключващи яки зависят от това къде ги изпращате, кой метод на доставка избирате и колко поръчвате.
Ако използвате стандартна логистика, цената е по-ниска, но доставката отнема малко повече време - обикновено от 3 до 7 работни дни. За бързи поръчки можете да изберете експресна доставка, но това ще струва повече. Точната допълнителна такса зависи от това колко далеч трябва да стигне пратката.
Когато поръчката ви достигне определено количество, ние ще покрием разходите за доставка вместо вас. Всеки продукт е малък и лек, така че дори поръчките на малки партиди няма да имат супер високи такси за доставка.
Преди да изпратим нещо, ние ще опаковаме нашийниците правилно, за да предотвратим повреда по време на транспортиране. И тази цена на опаковката вече е включена в таксата за доставка - не е нужно да плащате допълнително за нея.
Ако искате да знаете точната цена за доставка, просто попитайте нашия екип за обслужване на клиенти. Те ще го изчислят въз основа на вашите конкретни подробности за поръчката.
Въпрос: Каква е MOQ и срокът за доставка за вашата заключваща яка с болтово фиксиране и предлагате ли отстъпки за групови поръчки?
О: Минималното количество за поръчка (MOQ) за стандартна заключваща яка с болтова фиксация е 300 броя, с време за изпълнение от 7–10 работни дни за редовни поръчки. За групови поръчки над 5000 броя предлагаме отстъпки на нива (3%–10% отстъпка), за да намалим разходите ви за доставка. Персонализираната заключваща яка с болтово фиксиране има MOQ от 500 броя и 12–18 работни дни време за изпълнение, включително валидиране на проби и планиране на производството.