У дома > Продукти > Заваръчни гайки > Винт за заваряване > Заваръчен винт с метрична резба
        Заваръчен винт с метрична резба
        • Заваръчен винт с метрична резбаЗаваръчен винт с метрична резба
        • Заваръчен винт с метрична резбаЗаваръчен винт с метрична резба
        • Заваръчен винт с метрична резбаЗаваръчен винт с метрична резба

        Заваръчен винт с метрична резба

        Винтът за заваряване с метрична резба се използва за заваряване към металната повърхност, а след това метричната резба се използва за свързване на други компоненти. Компанията Xiaoguo® разполага с достатъчен инвентар от стоки на склад. Подходящи са за производство на метали, автомобилни панели или индустриални рамки.
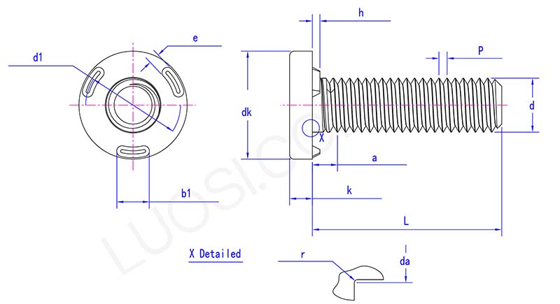
        Модел:DIN 34817-2001

        Изпратете запитване

        Описание на продукта

        пн
        M5 M6 M8 M10 M12 M14
        P
        0.8 1 1.25 1.5 1.5 1.5
        макс
        2.4 2.8 3.7 4.4 4.6 4.6
        dk макс
        10 12 16 20 24 28
        dk мин
        9.64 11.57 15.57 19.48 23.48 27.48
        d1 мин
        7.85 9.75 13.25 17.15 21.15 25.20
        d1 макс
        8.21 10.11 13.68 17.58 21.67 25.72
        h макс
        0.8 0.8 1.2 1.4 1.6 1.6
        ч мин
        0.7 0.7 1.1 1.3 1.5 1.5
        k макс
        2.2 2.7 3.2 4.2 5 5.8
        k мин
        1.8 2.3 2.8 3.8 4.6 5.4
        r мин
        0.1 0.15 0.15 0.15 0.15 0.2
        e макс
        1.7 1.7 2.2 2.2 2.2 2.7
        e мин
        1.3 1.3 1.8 1.8 1.8 2.3
        b1 макс
        3.9 4.4 5.9 7.9 9.4 11.5
        b1 мин
        3.1 3.6 5.1 7.1 8.6 10.5
        да макс
        5.3 6.4 8.4 10.5 13 15

        Заваръчният винт с метрична резба се фиксира към детайла чрез заваряване. Този тип винт се предлага както в стилове с глава, така и без глава. Според резбата, тя може допълнително да се класифицира на заварени винтове с външна резба и заварени винтове с вътрешна резба. Спецификациите обикновено са от M5 до M14.

        Weld screw with metric thread parameter

        Може да се използва в

        Заварени винтове с метрична резба се използват за ремонт на изпускателни скоби. Акоболтаотворите на изпускателната скоба са износени, те могат да бъдат ремонтирани с тях. Почистете точките за точково заваряване на рамката, монтирайте винтовете и извършете точково заваряване през отворите на шайбите. Затегнете скобата с болтове. Отнема само 3 минути и няма нужда от повторно пробиване или почукване. Издържа на вибрации на пътя без разхлабване.

        Винт за заваряване с метрична резба се използва за надграждане на конвейерни скоби. Ако трябва да добавите сензори към съществуващия конвейер, използвайте ги за бързо инсталиране на скобите. Заварете винтовете M8 към необходимите направляващи релси на рамката. Няма нужда да пробивате дупки в ключови структури. Скобата на сензора е директно фиксирана към новата резба с болтове. Спестява времето, необходимо за повторно окабеляване по време на ремонта и монтажа.

        Заваръчните винтове се използват за монтиране на хидравлични тръбопроводи. Ако е необходимо да фиксирате скобата за хидравличен маркуч към оборудването, използването им може да предотврати разклащане. Заварете винтове M6 по протежение на рамката на всеки 18 инча. Скобата на приспособлението е директно фиксирана към винта с болтове. Те могат да издържат на продължителни вибрации по-добре от винтовете за ламарина. Предотвратете износването на маркуча поради триене.

        Характеристики на продукта

        Характеристиката на заваръчния винт с метрична резба се състои в използването на метода на заваряване. В сравнение с обикновеното механично свързване, заваряването може да накара винтовете и основния материал да образуват по-плътна връзка, почти интегрирана. Дизайнът на метричните резби може удобно да се съчетае с гайки или компоненти с вътрешни резби, което улеснява инсталирането на други части в бъдеще. Освен това, точността на размерите на нишките отговаря на метричните стандарти, което го прави много гъвкав.

        Горещи маркери: Заваръчен винт с метрична резба, Китай, производител, доставчик, фабрика
        Свързана категория
        Изпратете запитване
        Моля, не се колебайте да изпратите вашето запитване във формата по-долу. Ще ви отговорим до 24 часа.
        X
        Ние използваме бисквитки, за да ви предложим по-добро сърфиране, да анализираме трафика на сайта и да персонализираме съдържанието. Използвайки този сайт, вие се съгласявате с използването на бисквитки от наша страна. Политика за поверителност
        Отхвърляне Приеми