Тези занитвани шпилки на ООН за печатни платки обикновено са направени от добри стоманени сплави, като нисковъглеродна или неръждаема стомана, или алуминий. Имат солидна механична якост и издържат добре във времето.
Стоманените предлагат най-голяма якост на опън и срязване. Алуминиевите, от друга страна, провеждат добре електричество и са леки.
Металът, избран за тези шипове, означава, че те могат да се справят с тежки механични натоварвания, стрес от цикли на нагряване и охлаждане и да останат здрави през цялото време, докато продуктът се използва.
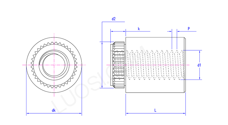
Занитената шпилка на UN за печатни платки е постоянна и високоякостна закопчалка, използвана за осигуряване на надеждна външна фиксираща точка с резба върху печатни платки (PCB). Тук "UN" обикновено представлява "Единен национален стандарт", отнасящ се до стандартизирания тип винтова резба, който притежава (като UNC или UNF), което гарантира неговата съвместимост с различни стандартни гайки.
Процесът на инсталиране е бърз и ефективен. Поставете шпилката в предварително пробития отвор на печатната платка. След това използвайте специален инструмент за занитване, за да деформирате плоския край на шпилката, като го накарате да се разшири навън и здраво да захване между главата на нита и рамото или фланеца на шпилката, като по този начин образува здрава и устойчива на вибрации връзка без необходимост от заваряване.
Този метод е особено подходящ за сценарии, които изискват издържане на големи механични натоварвания, трябва да бъдат подложени на множество операции за включване или когато топлината, генерирана от заваряване, може да повреди чувствителни компоненти.
Тези занитвани щифтове на ООН за печатни платки се поставят чрез метод на студено формоване или занитване.
Забивате шпилката през предварително пробит отвор в печатната платка. След това специален инструмент за занитване огъва стеблото на шпилката срещу матрица под дъската, създавайки постоянна разширена ключалка, която я държи на място.
Методът на студена обработка генерира по-малко топлина и няма да повреди ламината на печатната платка или веригите. Когато са инсталирани правилно, шпилките осигуряват здрава и устойчива на вибрации фиксация, без да нарушават структурата на печатната платка.

| пазар | Приходи (предходна година) | Общи приходи (%) |
| Северна Америка | Поверително | 20 |
| Южна Америка | Поверително | 4 |
| Източна Европа | Поверително | 24 |
| Югоизточна Азия | Поверително | 2 |
| Африка | Поверително | 2 |
| Океания | Поверително | 1 |
| Среден изток | Поверително | 4 |
| Източна Азия | Поверително | 13 |
| Западна Европа | Поверително | 18 |
| Централна Америка | Поверително | 6 |
| Северна Европа | Поверително | 2 |
| Южна Европа | Поверително | 1 |
| Южна Азия | Поверително | 4 |
| Вътрешен пазар | Поверително | 5 |