Степените на болтовете с уши за тип рамо за закопчалката се определят от стандартите за здравина и материали, критични за безопасно повдигане. Общите класове включват 4.8, 8.8, 10.9 и 12.9 за варианти от въглеродна стомана - по-високите числа означават по-голяма якост на опън. Степен 4.8 е подходящ за леки задачи като домашен DIY, докато 8.8 работи за обща промишлена употреба. Класове с висока якост 10.9 и 12.9 се справят с тежки товари в строителството или машините.
Версиите от неръждаема стомана често следват класове A4 (316) или A2 (304), давайки приоритет на устойчивостта на корозия за морска/химическа среда. Кованите класове легирана стомана предлагат изключителна издръжливост за екстремно повдигане. Всеки клас е маркиран с номинални стойности на натоварване, което гарантира съвместимост с предвидените приложения и съответствие с безопасността.
Контролът на качеството за болт тип рамо с ухо означава извършване на задълбочени проверки, за да се уверите, че е безопасен и работи правилно. Този процес обикновено включва проверка, че класът на материала е правилен, проверка на резбите, за да видите дали са точни, и провеждане на тестове за натоварване, за да потвърдите границата на работното натоварване (WLL). Те също така проверяват дали размерите отговарят на стандарти като DIN или ISO. Всяка партида болтове с уши трябва да може да се проследи и ще получите сертификат, за да докажете, че отговаря на изискванията за това как ще я използвате.

Въпрос: Как трябва правилно да монтирам болт тип рамо с ухо? За стандартен болт го завийте докрай направо в отвор с резба — уверете се, че рамото на ухото докосва повърхността. Дърпането под ъгъл напълно ще намали безопасното му работно натоварване, а това е опасно.

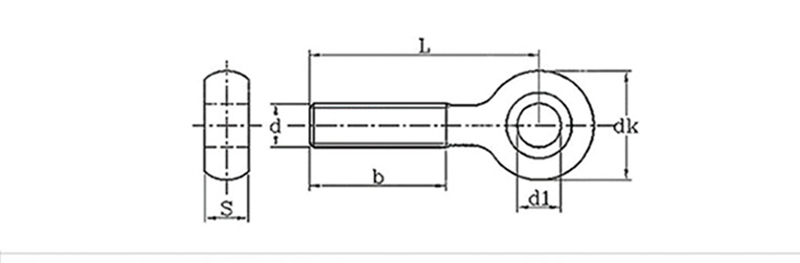
мм
Диаметър на резбата
d1
dk
s
M6
5
10.5
5.4
M8
6
13
7
M10
8
16
8.5
M12
10
19
10.5
M14
10
22
12