Така че, когато разглеждате болтовете Lift Assured Eye, ще откриете, че се предлагат от няколко често срещани материала и изборът на правилния наистина зависи само от вашата конкретна работа. Най-често срещаният тип, който ще видите, е въглеродна стомана. Това е общият избор за ежедневни задачи за повдигане, които не включват специални условия. За да предотвратят ръждата, тези болтове от въглеродна стомана обикновено имат цинково покритие, което им придава този сребрист, леко лъскав вид.
След това има неръждаема стомана. Бихте искали да използвате това, ако работите на места, където нещата могат да станат мокри или корозивни, като близо до океана или в химически заводи. Най-често срещаните класове са 304 и 316, като 316 е малко по-тежък за наистина тежки настройки. От друга страна, ако вдигате наистина тежки товари, ще трябва да преминете към кован болт с ухо от легирана стомана. Този материал е специално направен да се справя с много по-високи изисквания за якост, така че е много по-здрав от вашата стандартна въглеродна стомана.
Когато вземете болта Lift Assured Eye, ще забележите, че те често имат различни покрития. Това не е само за външен вид; тези повърхностни обработки всъщност целят да направят болта по-дълъг и да се борят с ръждата, което е изключително важно за безопасността и издръжливостта.

Истински често срещан метод, който ще видите, е галванопластиката. Това е мястото, където поставят тънък слой от нещо като цинк или никел върху стоманата. Той ви осигурява прилична основна защита срещу корозия и също така прави болта да изглежда малко по-ярък. Но ако имате нужда от нещо по-твърдо за тежка среда, като например на открито на строителна площадка или във влажна морска зона, бихте искали да потърсите горещо поцинкован болт с ухо. Този процес създава много по-дебело покритие, което е много по-здраво и може да понесе много повече злоупотреби с течение на времето.
Има и други опции. Например черният оксид е обработка, която оставя болта с тъмно, неотразяващо покритие. Той предлага известна устойчивост на ръжда, но често се избира повече заради външния му вид и за намаляване на отблясъците от светлина. А за болтовете от неръждаема стомана те често използват процес, наречен пасивиране. Това може да звучи сложно, но в основата си е химическа баня, която помага за почистването и укрепването на естествения защитен слой върху неръждаемата стомана, повишавайки способността й да устои на ръжда.
Въпрос: Вашият болт Lift Assured Eye идва ли със сертификат? Да, можем да ви дадем тестов сертификат за болта Lift Assured Eye. Той доказва, че болтът с ухо отговаря на стандарти като ASME B18.15 и потвърждава от какъв материал е направен и механичните му свойства.
|
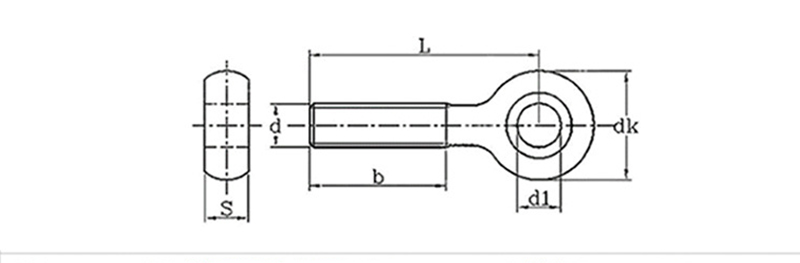
мм |
|||
|
Диаметър на резбата |
d1 |
dk |
s |
|
M6 |
5 |
10.5 |
5.4 |
|
M8 |
6 | 13 | 7 |
|
M10 |
8 | 16 | 8.5 |
|
M12 |
10 | 19 | 10.5 |