У дома > Продукти > Болт > Болт с кръгла глава > Болт с ухо с голям капацитет
        Болт с ухо с голям капацитет
        • Болт с ухо с голям капацитетБолт с ухо с голям капацитет
        • Болт с ухо с голям капацитетБолт с ухо с голям капацитет

        Болт с ухо с голям капацитет

        Болтът с ухо с висок капацитет е прецизно изработен от високоякостни материали, притежаващи силна товароносимост. Болтовете с халки с висока товароносимост на Xiaoguo отговарят на международните стандарти за безопасност и са подходящи за повдигане на тежко оборудване, инженерни инсталации и други сценарии. Xiaoguo гарантира, че всеки продукт отговаря на строги стандарти за безопасност.

        Изпратете запитване

        Описание на продукта

        Преди дори да помислите да използвате болт с ухо с голям капацитет, разгледайте го добре. Проверете за очевидни повреди, като пукнатини, огъвания или дали всичко е износено. Също така се уверете, че цялата информация, щампована върху него, особено границата на работното натоварване (WLL), е ясна и лесна за четене. Ако не можете да го видите правилно, по-добре го пропуснете и вземете друг.

        Когато го поставяте, завийте го докрай в отвора, докато раменната част лежи напълно гладко и плътно до повърхността. Никога не използвайте чук, за да го насила – това може да обърка нещата. Просто използвайте правилния инструмент, като гаечен ключ, за да го затегнете и сигурно.

        Що се отнася до това как прилагате натоварването, винаги го дръжте в една линия с ухото на болта. Никога не дърпайте настрани или под някакъв странен ъгъл, защото това може да доведе до повреда. Ако използвате болт с раменна ухо за повдигания, които не са прави нагоре, дръжте ъгъла под 45 градуса и не забравяйте, че ще трябва да намалите WLL, за да отчетете ъгъла. Това помага да се избегне претоварването и поддържа всичко по-безопасно, докато работите.

        Опаковка на продукта

        Ако просто вземете малък комплект болтове с уши с голям капацитет от магазина за хардуер, те вероятно ще се доставят в обикновена картонена кутия. Но ако поръчвате на едро за голяма работа или за промишлена употреба, тогава нещата се променят. Те често се опаковат сигурно в тежки картонени кутии, които след това се подреждат и завързват върху дървени палети. Това палетизиране е доста стандартно, защото прави транспортирането и обработката много по-стабилни и по-безопасни за всички участници.

        Друг супер често срещан начин, по който ще ги видите опаковани, е индивидуално или на групи, първо в прозрачни полиетиленови торбички. Тези торбички са чудесни за предпазване от влага и прах. След това тези торби се поставят в по-здрава външна картонена кутия за допълнителен слой защита по време на транспортиране. Честно казано, основната цел на цялата тази опаковка не е да бъде изящна; просто е практично. Единствената му задача е да предпазва болтовете с уши от удари, ръжда или повреда, докато се изпращат до вас или стоят в склада.

        Сесия за въпроси и отговори

        Въпрос: Каква е разликата между обикновения болт с ухо с рамо и голям капацитет? Болтът с рамо има по-голяма опорна повърхност под ухото, така че разпределя по-добре натоварването. Този е по-силен и трябва да го използвате за повдигане под ъгъл - за разлика от обикновения вид, който работи само за прави вертикални товари.

        High Capacity Eye Bolt

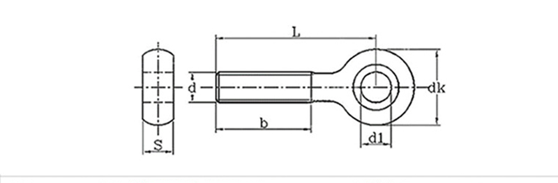
        мм
        Диаметър на резбата
        d1
        dk
        s
        M6
        5 10.5 5.4
        M8

        6

        13 7
        M10
        8 16 8.5
        M12
        10 19 10.5
        M14
        10 22 12


        Горещи маркери: Болт с ухо с голям капацитет
        Свързана категория
        Изпратете запитване
        Моля, не се колебайте да изпратите вашето запитване във формата по-долу. Ще ви отговорим до 24 часа.
        X
        Ние използваме бисквитки, за да ви предложим по-добро сърфиране, да анализираме трафика на сайта и да персонализираме съдържанието. Използвайки този сайт, вие се съгласявате с използването на бисквитки от наша страна. Политика за поверителност
        Отхвърляне Приеми