У дома > Продукти > Болт > Болт с кръгла глава > Анкерен болт за сигурно ухо
        Анкерен болт за сигурно ухо
        • Анкерен болт за сигурно ухоАнкерен болт за сигурно ухо
        • Анкерен болт за сигурно ухоАнкерен болт за сигурно ухо

        Анкерен болт за сигурно ухо

        Всички Anchor Secure Eye болтове, произведени от Xiaoguo, се подлагат на строги тестове преди износ и компанията може надеждно да ги достави. Партньорите се доверяват на Xiaoguo и купувачите могат да купуват с увереност.

        Изпратете запитване

        Описание на продукта

        Сертификат за проверка на качеството

        Така че, когато получите сертификат за проверка на качеството за Anchor Secure Eye Bolt, основно това е документ, който идва с продукта, показващ, че отговаря на специфични стандарти като ASTM A489. Тази документация обикновено ви дава подробности за използваните материали, проверява дали всички размери са правилни, потвърждава, че е преминал теста за натоварване и проверява повърхностната обработка. Сертификатът обикновено идва от независима лаборатория, която е акредитирана да извършва този вид тестване. Това, което е наистина полезно, е, че ви позволява да проследите продукта обратно до производствената му партида, което ви дава увереност, че болтът с ухо е действително безопасен за използване при повдигащи операции и ще работи, както се очаква, когато го използвате на работната площадка.

        Anchor Secure Eye Bolt

        Използване на продукта

        И така, анкерният сигурен болт с ухо е един от онези компоненти, които са полезни в куп ситуации - ще го видите основно за повдигане на тежки предмети, за монтаж на настройки или просто за сигурно закотвяне на нещата. Начинът, по който е проектиран, с това кръгло ухо в единия край, го прави наистина лесен за свързване на различни видове свързващи съоръжения. Независимо дали трябва да прокарате кабел през него, да завържете въже или да прикрепите скоба, това око ви дава солидна точка за работа. Ето защо ще откриете, че те се използват през цялото време на строителни обекти, на докове и лодки и във фабрики - навсякъде, където хората трябва да закрепят товари или да преместят оборудване безопасно.

        Сесия за въпроси и отговори

        Въпрос: Какво е безопасното работно натоварване за вашия анкерен болт със сигурно ухо? Безопасното натоварване за  болт зависи от неговия размер и тип. Винаги проверявайте диаграмата за номинално натоварване за конкретния, който използвате. Никога не превишавайте тази оценка - запазва нещата в безопасност, когато вдигате неща.

        Anchor Secure Eye Bolt

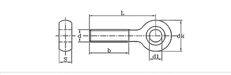
        мм
        Диаметър на резбата
        d1
        dk
        s
        M6
        5 10.5 5.4
        M8
        6 13 7
        M10
        8 16 8.5
        M12
        10 19 10.5
        M14
        10 22 12

        Горещи маркери: Анкерен болт за сигурно ухо
        Свързана категория
        Изпратете запитване
        Моля, не се колебайте да изпратите вашето запитване във формата по-долу. Ще ви отговорим до 24 часа.
        X
        Ние използваме бисквитки, за да ви предложим по-добро сърфиране, да анализираме трафика на сайта и да персонализираме съдържанието. Използвайки този сайт, вие се съгласявате с използването на бисквитки от наша страна. Политика за поверителност
        Отхвърляне Приеми