Заваръчният болт с висока якост на лицето е специален вид закопчалка, направена за свързване силно и лесно с метални листове или конструкции. Той има проекции - обикновено пръстени или малки неравности - от страната, която докосва метала и те са направени до прецизни размери.
Когато го заварявате, много електрически ток се фокусира върху тези проекции. Това прави метала там да стане наистина горещо, да се стопи и след това, когато се охлади, той образува силна заварка. Тази заварка държи плътно болта за заваряване с висока якост към парчето, върху което работите.
Основната работа на Bolt за заваряване с висока якост е да се създаде постоянна точка на закрепване на базата на резба, която може да задържи теглото. Имате нужда от специално оборудване за заваряване на проекция, за да го заварявате.
Електродите натискат и изпращайте много електричество през проекциите на болта и металното парче, с което работите. Начинът, по който се прави заваръчният болт, означава само проекциите да се стопят - нищо повече. Когато се охладят, те образуват силна метална връзка, а металът около нея не се навежда или изкривява много.
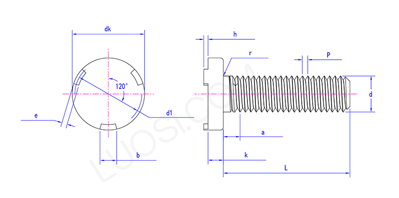
| Пон | M5 | M6 | M8 | M10 |
| P | 0.8 | 1 | 1.25 | 5 |
| DK Max | 12.4 | 14.4 | 16.4 | 20.4 |
| DK min | 11.6 | 13.6 | 15.6 | 19.6 |
| K Max | 2 | 2.2 | 3.2 | 4.2 |
| K min | 1.6 | 1.8 | 3.2 | 4.2 |
| и Макс | 2.25 | 2.75 | 2.25 | 2.75 |
| E min | 1.75 | 2.25 | 1.75 | 2.25 |
| B Max | 3.3 | 4.3 | 5.3 | 6.3 |
| B min | 2.7 | 3.7 | 4.7 | 5.7 |
| H Max | 0.8 | 0.9 | 1.1 | 1.3 |
| H min | 0.6 | 0.75 | 0.9 | 1.1 |
| D1 макс | 10 | 11.5 | 14 | 17.5 |
| D1 мин | 9 | 10.5 | 13 | 16.5 |
| R min | 0.2 | 0.25 | 0.4 | 0.4 |
| r max | 0.6 | 0.7 | 0.9 | 1.2 |
| макс | 3.2 | 4 | 5 | 5 |

Заваръчният болт с висока якост на лицето има малко повдигнати части - обикновено пръстени или малки вдлъбнатини - отстрани, която се заварява. Когато го заварявате, много електричество се фокусира върху тези повдигнати части. Те се стопяват веднага срещу основния метал, докато електродът натиска надолу.
Това прави силни, тесни заварки, които държат болта на място добре. Те работят чудесно за работни места за ламарина.