У дома > Продукти > Винт > Винт с прорез > Нарязващи се винтове с вдлъбната глава тип C
        Нарязващи се винтове с вдлъбната глава тип C
        • Нарязващи се винтове с вдлъбната глава тип CНарязващи се винтове с вдлъбната глава тип C
        • Нарязващи се винтове с вдлъбната глава тип CНарязващи се винтове с вдлъбната глава тип C

        Нарязващи се винтове с вдлъбната глава тип C

        Самонарезните винтове тип C със скрита глава са подходящи за мебели и леки метални листове и са особено подходящи за ситуации, при които главите на винтовете трябва да се монтират наравно. Слотът е съвместим със стандартни отвертки. Xiaoguo® има голяма фабрика с достатъчно запаси и може да доставя големи поръчки навреме.
        Модел:GB/T 5283-1985

        Изпратете запитване

        Описание на продукта

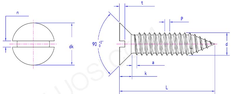
        Самонарезните винтове с шлицова глава тип C имат ъгъл на нарязване приблизително 100° и могат да бъдат изравнени с повърхността на материалите със съответните отвори със скрита глава. На другия край има прът с резба, който може да обработва собствени нишки в материала, без да са необходими предварително пробити отвори.

        Характеристики на продукта

        Самонарезните винтове с шлицова глава тип С са самонарезни винтове. Главите им са плоски и имат наклонен ръб, заедно с прав процеп. Можете да ги завиете с кръстата отвертка. Когато се затегне, вдлъбнатата част ще бъде изравнена с винта, което ги прави идеални за гладки повърхности. Те могат да се пробиват самостоятелно в метални или пластмасови плочи без необходимост от предварително пробиване.

        Самонарезните винтове тип C със скрита глава имат класически вид с плосък връх след монтажа. Главата на винта с шлиц е проста по структура, но изисква плоска отвертка. Когато трябва да постигнете чиста и равна повърхност върху метални компоненти, като например при монтиране на панели или скоби, повдигнатата глава на винта може да причини препятствие. В такива случаи могат да се използват тези винтове.

        Самонарезни винтове с вдлъбната глава тип C съчетават следните характеристики: самопробиване (резба от тип C), плоска глава и проста работа с шлиц. Те са изключително подходящи за приложения, при които външният вид е важен или където изпъкналата глава е склонна да се заклещи, като например вътре в компютърни кутии или механични капаци.

        Те се завинтват директно върху повърхности като дърво, пластмаса и дори тънък метален лист, автоматично образувайки резби без предварително пробиване. Техният изравнен дизайн им позволява да се поберат безпроблемно в повърхността на субстрата без изпъкнали части. Това гарантира сигурен и естетически приятен дизайн, елиминирайки риска от сблъсък.

        Параметри на продукта

        пн
        ST2.2 ST2.9
        ST3.5
        ST4.2
        ST4.8
        ST5.5
        ST6.3
        ST8
        ST9.5
        P
        0.8 1.1 1.3 1.4 1.6 1.8 1.8 2.1 2.1
        макс
        0.8 1.1 1.3 1.4 1.6 1.8 1.8 2.1 2.1
        dk макс
        3.8 5.5 7.3 8.4 9.3 10.3 11.3 15.8 18.3
        dk мин
        3.5 5.2 6.9 8 8.9 9.9 10.9 15.4 17.8
        k макс
        1.1 1.7 2.35 2.6 2.8 3 3.15 4.65 5.25
        n мин
        0.56 0.86 1.06 1.26 1.26 1.66 1.66 2.06 2.56
        n макс
        0.7 1 1.2 1.51 1.51 1.91 1.91 2.31 2.81
        t мин
        0.4 0.6 0.9 1 1.1 1.1 1.2 1.8 2
        t макс
        0.6 0.85 1.2 1.3 1.4 1.5 1.6 2.3 2.6


        Горещи маркери: Нарезни винтове с вдлъбната глава тип C, Китай, производител, доставчик, фабрика
        Свързана категория
        Изпратете запитване
        Моля, не се колебайте да изпратите вашето запитване във формата по-долу. Ще ви отговорим до 24 часа.
        X
        Ние използваме бисквитки, за да ви предложим по-добро сърфиране, да анализираме трафика на сайта и да персонализираме съдържанието. Използвайки този сайт, вие се съгласявате с използването на бисквитки от наша страна. Политика за поверителност
        Отхвърляне Приеми