У дома > Продукти > Щифт > Кръгъл щифт > Щифтове с висока якост на опън
        Щифтове с висока якост на опън
        • Щифтове с висока якост на опънЩифтове с висока якост на опън
        • Щифтове с висока якост на опънЩифтове с висока якост на опън

        Щифтове с висока якост на опън

        Този щифт с висока якост на опън може да се разглобява и преинсталира многократно, което го прави изгоден за повторна употреба. Можете уверено да поръчате щифтове с висока устойчивост на опън от Xiaoguo и ще получите отлично изживяване с гарантирано качество.

        Изпратете запитване

        Описание на продукта

        Можем да предоставим сертификат за инспекция за тези щифтове с висока якост на опън, ако е необходимо. Сертификатът изброява основните резултати от теста: от какво е направен материалът, неговите механични свойства като здравина и твърдост и потвърждава, че всички критични размери са правилни. Той също така посочва на кои стандарти, като ISO 2341, отговаря продуктът.

        Всеки сертификат е за конкретна производствена партида и има уникален номер, така че да може да бъде проследен. Това е запис, който показва, че щифтовете са преминали стандартните проверки от материала до крайния продукт. Получаването на сертификат с вашите щифтове с висока устойчивост на опън е опция, която е полезна за работни места, които изискват официална документация, независимо дали за ежедневна промишлена употреба или за по-взискателни приложения.

        High Tensile Clevis Pins

        Използване на продукта

        Този тип щифт обикновено се използва за свързване на компоненти в машини, които изискват въртене или завъртане. В различни индустриални съоръжения често се използва за свързване на скоби, пръти или лостове. В автомобили и камиони се използва за компоненти на окачване, спирачни връзки, кормилни устройства и др.

        Селскостопанско оборудване като тракторни плугове и комбайни също го използва. В космическото пространство може да се използва за определени движещи се части в самолетни системи. Среща се и на лодки, в такелаж и някои части на двигателя, защото остава добре фиксиран на място.

        По принцип щифтовете с висока устойчивост на опън са удобни навсякъде, където имате нужда от солидна връзка, която може да се наложи да разглобите по-късно и която може да издържи на разклащане и редовна употреба.

        Сесия за въпроси и отговори

        В: Каква е стандартната опаковка за вашите високоякостни щифтове?

        Отговор: Обикновено използваме здрави картонени кутии за опаковане на високоякостни щифтове и методът на опаковане обикновено е разделен по размер и количество (например 100 броя на кутия).

        За поръчки на едро, ние ще опаковаме шплинтове с висока якост в основния кашон и ще ги поставим на палет, за да осигурим безопасно транспортиране и лесно боравене.

        High Tensile Clevis Pins


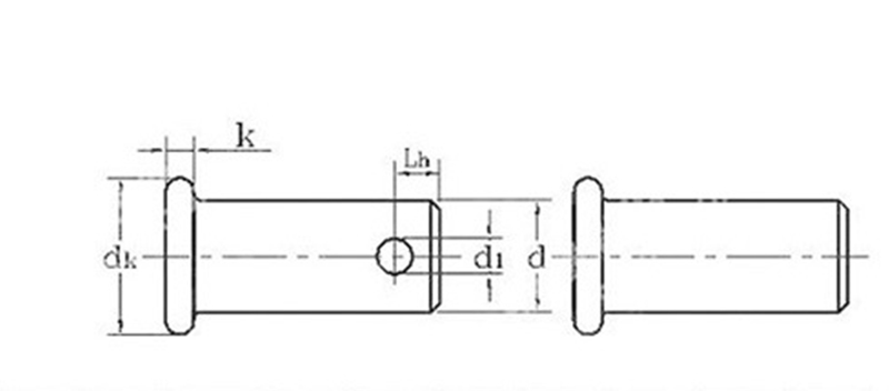
        единица: mm
        d макс 3 4 5 6 8 10 12 14 16 18 20
        мин 2.94 3.925 4.925 5.925 7.91 9.91 11.89 13.89 15.89 17.89 19.87
        dk макс 5 6 8 10 12 14 16 18 20 22 25
        мин 4.7 5.7 7.64 9.64 11.57 13.57 15.57 17.57 19.48 21.48 24.48
        k nominaL 1.5 2 2.5 3 3.5 4
        макс 1.625 2.125 2.625 3.125 3.65 4.15
        мин 1.375 1.875 2.375 2.875 3.35 3.85
        d1 мин 1.6 2 3.2 4 5 5
        макс 1.74 2.14 3.38 4.18 5.18 5.18
        Lh мин 1.6 2.2 2.9 3.2 3.5 4.5 5.5 6 6 7 8




        Горещи маркери: Щифтове с висока якост на опън, Китай, производител, доставчик, фабрика
        Свързана категория
        Изпратете запитване
        Моля, не се колебайте да изпратите вашето запитване във формата по-долу. Ще ви отговорим до 24 часа.
        X
        Ние използваме бисквитки, за да ви предложим по-добро сърфиране, да анализираме трафика на сайта и да персонализираме съдържанието. Използвайки този сайт, вие се съгласявате с използването на бисквитки от наша страна. Политика за поверителност
        Отхвърляне Приеми