У дома > Продукти > Щифт > Кръгъл щифт > CNC машинно обработени щифтове
        CNC машинно обработени щифтове
        • CNC машинно обработени щифтовеCNC машинно обработени щифтове
        • CNC машинно обработени щифтовеCNC машинно обработени щифтове

        CNC машинно обработени щифтове

        2. CNC машинно обработените щифтове Clevis са осови щифтове със заоблени глави, закрепени чрез отвори за щифтове и шпленти или контрагайки. Те обикновено се използват за свързване на механични компоненти като връзки и контролни рамена. Обработените с CNC Clevis щифтове на Xiaoguo са обработени с CNC, за да осигурят висока прецизност и здравина, така че можете да купувате с увереност.

        Изпратете запитване

        Описание на продукта

        Ние разполагаме с CNC машинно обработени щифтове със скоби в куп често срещани размери, с диаметри, които варират от около M3 до M24 и дължини от 10 mm до 200 mm, така че ще паснат на повечето стандартни отвори. Важните части като размера на главата и дължината на стеблото са направени така, че да отговарят на обичайните спецификации.

        CNC Machined Clevis Pins

        За различните работни места имаме различни степени. Има стандартна степен за ежедневна употреба и по-прецизна, когато имате нужда от по-плътно прилягане, като в автомобили или самолети. Всички те са направени по общи правила като ISO 2341, така че получавате едно и също нещо всеки път. Това просто означава, че нашите CNC машинно обработени щифтове със скоби са направени да работят със стандартни скоби и части в повечето оборудване.

        Контрол на качеството на продукта

        Провеждаме стандартни проверки на качеството на тези CNC машинно обработени щифтове със скоби, за да сме сигурни, че работят правилно. Всеки един се измерва за неща като диаметър, дължина и разположение на отвора, за да се гарантира, че размерите са правилни. Тестваме и самия материал, за да проверим дали е правилният вид и дали е достатъчно здрав и твърд.

        Преглеждаме повърхността за всякакви драскотини, груби ръбове или други белези, които биха могли да бъдат проблем. Всичко се прави в съответствие с общите индустриални правила като ISO 2341. Ние поддържаме запис на тестовете за всяка партида, за да можем да я проследим по-късно.

        След като преминат през тези проверки, CNC машинно обработените щифтове са подходящи за редовни работни места или по-трудни приложения, където трябва да издържат.

        Сесия за въпроси и отговори

        Въпрос: На какви стандарти отговарят вашите щифтове, обработени с ЦПУ?

        A: Нашите стандартни CNC машинно обработени Clevis щифтове са произведени в съответствие със спецификации като ISO 2341 или ANSI B18.8.1. Това гарантира постоянни размери за диаметъра на щифта, главата и отвора, гарантирайки надеждно прилягане и взаимозаменяемост във вашите модули.

        CNC Machined Clevis Pins


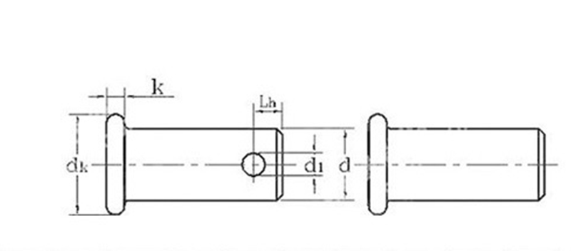
        единица: mm
        d макс 3 4 5 6 8 10 12 14 16 18 20
        мин 2.94 3.925 4.925 5.925 7.91 9.91 11.89 13.89 15.89 17.89 19.87
        dk макс 5 6 8 10 12 14 16 18 20 22 25
        мин 4.7 5.7 7.64 9.64 11.57 13.57 15.57 17.57 19.48 21.48 24.48
        k nominaL 1.5 2 2.5 3 3.5 4
        макс 1.625 2.125 2.625 3.125 3.65 4.15
        мин 1.375 1.875 2.375 2.875 3.35 3.85
        d1 мин 1.6 2 3.2 4 5 5
        макс 1.74 2.14 3.38 4.18 5.18 5.18
        Lh мин 1.6 2.2 2.9 3.2 3.5 4.5 5.5 6 6 7 8



        Горещи маркери: CNC машинно обработени щифтове, Китай, производител, доставчик, фабрика
        Свързана категория
        Изпратете запитване
        Моля, не се колебайте да изпратите вашето запитване във формата по-долу. Ще ви отговорим до 24 часа.
        X
        Ние използваме бисквитки, за да ви предложим по-добро сърфиране, да анализираме трафика на сайта и да персонализираме съдържанието. Използвайки този сайт, вие се съгласявате с използването на бисквитки от наша страна. Политика за поверителност
        Отхвърляне Приеми