Болтовете за разширяване на самото закрепване са съставени главно от винтове, разширителни тръби, гайки и други части. По време на монтажа, чрез затягане на гайката, винтът ще задвижва разширителната тръба, за да се разшири вътре в сондажа, като по този начин здраво ще я фиксира към стената или друга основна повърхност.
	
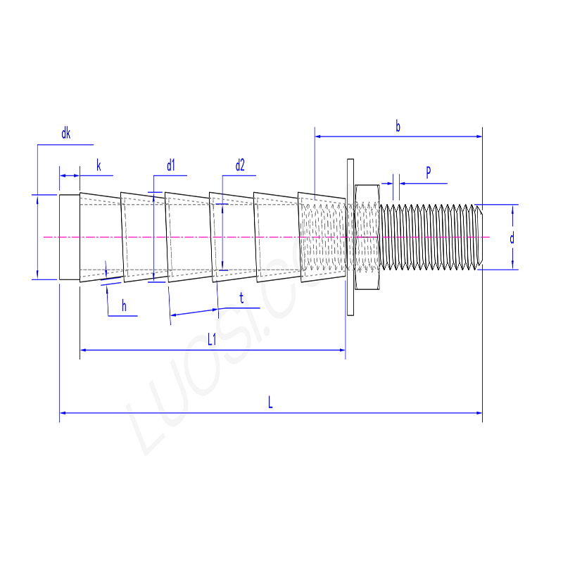
| Пон | M6 | M8 | M10 | M12 | M16 | М20 | М22 | M24 | 
| P | 1 | 1.25 | 1.5 | 1.75 | 2 | 2.5 | 2.5 | 3 | 
| DK Max | 10 | 12 | 14 | 16 | 20 | 24 | 26 | 28 | 
| Dk min | 9 | 11 | 13 | 15 | 19 | 23 | 25 | 27 | 
| L1 | 45 | 60 | 70 | 75 | 100 | 125 | 150 | 180 | 
| k | 5 | 5 | 5 | 5 | 5 | 5 | 5 | 5 | 
| D1 | 9.8 | 11.8 | 13.8 | 15.8 | 19.8 | 23.8 | 25.8 | 27.8 | 
| D2 | 6.2 | 8.2 | 10.2 | 12.2 | 16.2 | 20.2 | 22.2 | 24.2 | 
| h | 0.6 | 0.8 | 0.8 | 0.8 | 0.9 | 1 | 1 | 1.2 | 
| t | 10 | 12 | 12 | 14 | 14 | 16 | 16 | 20 | 
| L | 65 | 85 | 100 | 110 | 150 | 200 | 250 | 300 | 
	
Самостоятелният разширителен болт може да закрепи здраво обекти в бетон или зидария. Просто трябва да пробиете отвори, да поставите болтове и след това да затегнете гайките. Когато се затегне, самият болт ще се разшири в дупката. Обикновено се образува чрез издърпване на конуса в ръкава, като по този начин се създава твърдо механично заключване и здраво го фиксира към стената.
	
Инсталирането на самозакрепващи се болтове е много просто: пробийте отвори с правилния размер, отстранете праха, почукайте болтовете с чук и след това затегнете гайките с гаечен ключ. По време на процеса на затягане механизмът за разширяване е принуден да отваря и здраво схваща основния материал. Това е директен процес на „инсталиране и затягане“, който може да постигне твърда фиксация.
	
Например, фиксирайте скобата към бетонната стена, фиксирайте механичната основа на пода, фиксирайте парапета или фиксирайте колоната към основата. Те са много подходящи за средни до тежки операции в твърд бетон, тухли или блокове, където трябва да добавите силна и разглобяема точка на котвата след изграждането на фондацията.
	
Болтовете за разширяване на самото закрепване имат силна адаптивност. Той има силна адаптивност към различни базови равнини. Независимо дали става въпрос за бетонна стена, тухлена стена или някаква дървена конструкция, стига да се пробият подходящите дупки, тя може да играе много добра закрепваща роля. Освен това той идва в различни спецификации. Според действителните изисквания за инсталиране и състоянието на основната повърхност може да бъде избран подходящият размер, за да отговаря на различни сценарии за инсталиране.
	