У дома > Продукти > Гайка > Ръчно завийте гайката > Кръгли копчета с въртяща се гайка
      Кръгли копчета с въртяща се гайка
      • Кръгли копчета с въртяща се гайкаКръгли копчета с въртяща се гайка
      • Кръгли копчета с въртяща се гайкаКръгли копчета с въртяща се гайка

      Кръгли копчета с въртяща се гайка

      За прецизно линейно движение изберете усъвършенстваните кръгли копчета на XIAO GUO с въртяща се гайка. Проектиран за сферични винтове, той осигурява плавно, високоефективно движение, което ни прави доверен доставчик на кръгли копчета с валцоваща гайка в Китай за CNC и системи за автоматизация.

      Изпратете запитване

      Описание на продукта

      Първо, пробийте дупка в ламарината, която съответства на размера на кръглите копчета с навиващата се гайка. Не правете дупката твърде голяма - в противен случай няма да се заключи правилно. Почистете всякакви метални стружки, останали в отвора; те могат да пречат на инсталацията.

      След това поставете гайката в предварително пробития отвор, като се уверите, че лежи плътно върху листа. Използвайте стандартен пресов инструмент с матрица, която пасва на горната част на гайката. Прилагайте постоянен, равномерен натиск върху инструмента – ще почувствате леко „щракване“, когато се фиксира на място. Задръжте натиска за 1-2 секунди, за да сте сигурни, че е здраво.

      Избягвайте използването на удари с чук; това може да огъне гайката или да повреди ламарината. Работи най-добре върху тънък до среден метален лист (0,5-2 mm дебелина). Веднъж монтиран, можете да завиете болт плавно, без гайката да се върти. Кръглите копчета с навиваща се гайка са лесни за използване дори от начинаещи, не са необходими сложни умения.

      Опаковка на продукта

      Ние използваме прости, практични опаковки, за да запазим ядките в безопасност. За малки поръчки или мостри те се опаковат в прозрачни найлонови торбички – обикновено 100 или 200 броя на торба. Всяка чанта има основен етикет с размер, материал и партиден номер, така че можете лесно да намерите това, от което се нуждаете.

      Груповите поръчки отиват в здрави кашони. В зависимост от размера на ядката, всеки кашон побира от 5000 до 10 000 бр. Поставяме вътре пяна или балонна опаковка, за да ги предпазим от надраскване или движение по време на транспортиране. Кашоните имат ясни маркировки за работа, като „да се съхранява на сухо“ или „да не се подреждат тежки неща“.

      Ако имате нужда от персонализирана опаковка - като вашето лого върху торби или конкретно количество на опаковка - просто ни уведомете, когато поръчвате. Без допълнителни изискани неща, само това, което работи за съхранение и транспорт. Предлага се в тези стандартни опции, които отговарят на повечето малки работилници, големи фабрики или нуждите на потребители „направи си сам“.

      Round Knobs With Collar Rolling Nut

      Сесия за въпроси и отговори

      Каква дебелина на ламарината е подходяща за кръгли копчета с навиваща се гайка?  

      О: Работи най-добре върху тънък до среден метален лист, с диапазон на дебелина от 0,5 mm до 2,5 mm. Твърде дебелият метал няма да му позволи да се заключи правилно, а твърде тънкият може да се деформира по време на монтажа. Обичайните материали като студено валцована стомана, алуминий и листове от неръждаема стомана са подходящи. Просто се уверете, че размерът на предварително пробития отвор съответства на външния диаметър на гайката - можем да предоставим таблица с размери, ако имате нужда от нея за справка.  

      Round Knobs With Collar Rolling Nut

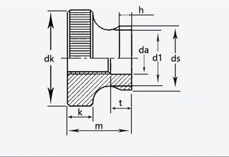
      размер Стъпка Външен диаметър Височина k ds да d1 T h
      макс мин макс мин макс мин макс мин макс
      М3 0,5  11  10.7  6.64  2.8  5.7  3.5  3.2  5.2  1.2 
      M4 0,7  12  11.7  7,64  7,64  4.5  4.2  6.4  2.5  1.5 
      M5 0,8  16  15.7  10  96.6  10  9,64  5.5  5.5 
      M6 20  19.7  12  11.6  12  11.6  6.56  6.2  11  2.5 
      M8 1.25  24  23.7  16  15.6  16  15.6  8,86  8.5  13 
      M10 1.5 30 29.7 20 19.5 8 20 19.5 10.9 10.5 17.2 6.5 3.8
      Горещи маркери: Кръгли копчета с навиваща се гайка, Китай, производител, доставчик, фабрика
      Свързана категория
      Изпратете запитване
      Моля, не се колебайте да изпратите вашето запитване във формата по-долу. Ще ви отговорим до 24 часа.
      X
      We use cookies to offer you a better browsing experience, analyze site traffic and personalize content. By using this site, you agree to our use of cookies. Privacy Policy
      Reject Accept