У дома > Продукти > Гайка > Ръчно завийте гайката > Назъбена гайка с висока яка
        Назъбена гайка с висока яка
        • Назъбена гайка с висока якаНазъбена гайка с висока яка
        • Назъбена гайка с висока якаНазъбена гайка с висока яка

        Назъбена гайка с висока яка

        Инвестирайте в трайна точност и поддръжка. Издръжливата назъбена гайка с висока яка на XIAO GUO е създадена за издръжливост. Подкрепяме продуктите си със солидна въртяща се гайка с висока яка и 2 години гаранция, осигурявайки увереност и намалявайки общите ви разходи за притежание.

        Изпратете запитване

        Описание на продукта

        Ще ви е необходим митнически сертификат или сертификат за проверка на качеството, който сте регистрирали сами за ролкови гайки с висока яка, който можем да предоставим безплатно, когато направите поръчката си. ние можем да го предоставим безплатно, когато направите поръчката си. Сертификатът няма фантастично съдържание, а само необходимата основна информация.

        Той включва подробности като номер на партида, тип суровина, метод на повърхностна обработка и ключови резултати от теста. Тези тестове обхващат данните за точността на резбата, постоянството на размера и устойчивостта на корозия от съответните експерименти. Всеки сертификат има уникален код за проследяване, така че можете да проверите неговата автентичност и да проверите подробностите за теста, ако е необходимо.

        Документът използва обикновен език, без сложни технически термини. Той отговаря на общите индустриални стандарти и се признава за повечето международни пратки. Просто ни уведомете, че имате нужда от него, когато поръчвате, и ние ще го включим в доставката на набраздената гайка с висока яка. Без допълнителни такси или досадни процедури за тази услуга.

        Използване на продукта

        Използва се главно за добавяне на отвори с резба към тънък метален лист без допълнителни гайки. Ще го намерите в производството на електроника - като монтиране на компоненти върху корпуси на устройства или фиксиране на метални панели на компютри и принтери. Работи тук, защото стои изравнено, без да заема допълнително място вътре в устройствата.

        Също така е често срещано при сглобяването на мебели. Работниците го използват, за да прикрепят метални скоби към рамките на шкафа или да закрепят плъзгачи на чекмеджета към метални релси. В малки работилници е удобен за персонализирани проекти от ламарина, като изграждане на кутии за инструменти или метални рафтове, които се нуждаят от здрави и надеждни закрепвания.

        Направи си сам ентусиастите също го използват за задачи като ремонт на метални градински инструменти или изработка на малки метални занаяти. Той е страхотен за всяка работа, при която имате нужда от отвор с резба в тънък метал, но не искате да заварявате или да използвате обемист хардуер. Набраздена ролкова гайка с висока яка отговаря на повечето леки до средни нужди за закрепване на ламарина, без допълнителни проблеми със сложни инструменти.

        High Collar Knurled Rolling Nut

        Сесия за въпроси и отговори

        В: Какво става, ако някои продукти са дефектни след доставката?

        О: Първо, направете снимки или видеоклипове на дефектните продукти и ни ги изпратете в рамките на 7 дни от получаването. Ще проверим проблема бързо. Ако това е проблем с качеството от нашето производство, ние ще изпратим заместители безплатно. Разходите за доставка на замяна ще бъдат покрити от нас. Рядко имаме такива проблеми, тъй като всяка партида преминава през стриктна проверка, но ние ще се справим със следпродажбеното обслужване правилно, за да избегнем засягане на употребата ви.  

        High Collar Knurled Rolling Nut


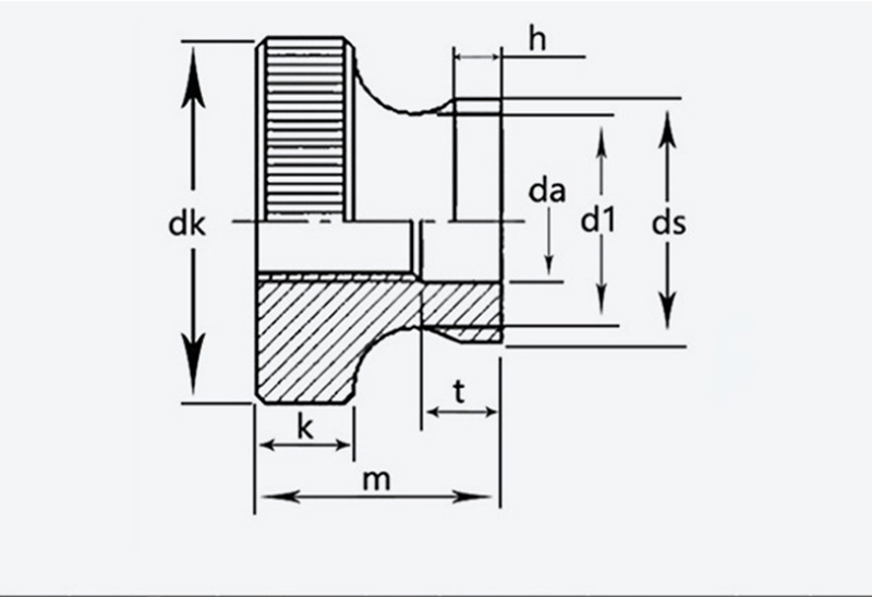
        размер Стъпка Външен диаметър Височина k ds да d1 T h
        макс мин макс мин макс мин макс мин макс
        М3 0,5  11  10.7  6.64  2.8  5.7  3.5  3.2  5.2  1.2 
        M4 0,7  12  11.7  7,64  7,64  4.5  4.2  6.4  2.5  1.5 
        M5 0,8  16  15.7  10  96.6  10  9,64  5.5  5.5 
        M6 20  19.7  12  11.6  12  11.6  6.56  6.2  11  2.5 
        M8 1.25  24  23.7  16  15.6  16  15.6  8,86  8.5  13 
        M10 1.5 30 29.7 20 19.5 8 20 19.5 10.9 10.5 17.2 6.5 3.8
        Горещи маркери: Назъбена гайка с висока яка, Китай, производител, доставчик, фабрика
        Свързана категория
        Изпратете запитване
        Моля, не се колебайте да изпратите вашето запитване във формата по-долу. Ще ви отговорим до 24 часа.
        X
        Ние използваме бисквитки, за да ви предложим по-добро сърфиране, да анализираме трафика на сайта и да персонализираме съдържанието. Използвайки този сайт, вие се съгласявате с използването на бисквитки от наша страна. Политика за поверителност
        Отхвърляне Приеми