У дома > Продукти > Болт > Болт с фланец с шестостенна глава > Болтове с шестостенна глава с фланец
        Болтове с шестостенна глава с фланец
        • Болтове с шестостенна глава с фланецБолтове с шестостенна глава с фланец
        • Болтове с шестостенна глава с фланецБолтове с шестостенна глава с фланец
        • Болтове с шестостенна глава с фланецБолтове с шестостенна глава с фланец

        Болтове с шестостенна глава с фланец

        Болтовете с шестостенна глава с фланец имат фланец и шестостенна глава. Зад фланеца има винт с резба. Фланецът може да разпръсне налягането и да намали локалното налягане. Фабриката Xiaoguo® осигурява болтове с различни размери и спецификации, с бърза доставка и гарантирано качество.
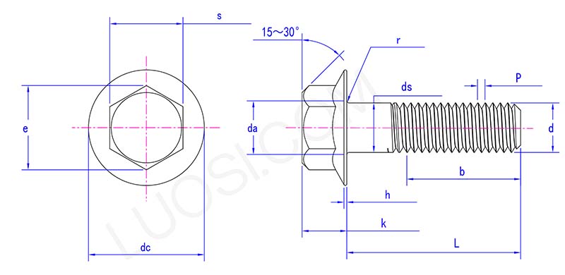
        Модел:JIS B1189-1987

        Изпратете запитване

        Описание на продукта

        Шестоъгълната глава на болтовете с шестоъгълна глава с фланец е свързана към фланеца, а фланецът е свързан към винта. Краят на товаболтсвързан към фланеца има частично гладък винт, а останалата част от винта има резби. Фланецът замества уплътнението, което намалява времето за монтаж и настройка при монтаж. При работа на височина този болт е по-практичен от обикновения болт. Като професионален производител на крепежни елементи, Xiaoguo® може да конфигурира болтове от различни материали според различни действителни сценарии на приложение. Има много материали като неръждаема стомана, въглеродна стомана и легирана стомана. Повърхността може да бъде обработена и с антикорозионни покрития. Има различни размери, някои подходящи за голямо оборудване, други подходящи за малко оборудване, а други подходящи за прецизно оборудване. Ние също така предлагаме персонализиране и персонализиране на размера, материала и други спецификации според нуждите.

        Hexagon head bolts with flange structure diagram

        пн
        M4 M5 M6 M8 M10 M12 M14 M16
        P 0.7 0.8 1 1|1.25 1.25|1.5 1,25|1,75 1.5|2 1.5|2
        постоянен ток макс
        10.5 12 14 17.5 21 25 29 33
        ds макс
        4 5 6 8 10 12 14 16
        ds мин
        3.9 4.9 5.9 7.85 9.85 11.8 13.8 15.8
        e мин
        7.74 8.87 11.05 13.25 15.51 18.9 21.1 24.49
        ч мин
        0.6 0.7 0.8 1 1.2 1.4 1.6 1.8
        k макс
        4.2 5 6 8 10 11.5 13.5 15
        r мин
        0.2 0.2 0.25 0.4 0.4 0.6 0.6 0.6
        s макс
        7 8 10 12 14 17 19 22
        s мин
        6.8 7.8 9.8 11.75 13.75 16.75 18.65 21.65
        да макс
        4.7 5.7 6.8 9.2 11.2 14.2 16.2 18.2

        Приложения

        Болтовете с шестостенна глава и фланец се използват за поддръжка на автомобили и могат да се използват за подмяна на частите на двигателя. Тъй като двигателят вибрира силно, когато работи, те могат да се използват за здраво фиксиране на новите части. В същото време те се използват за ремонт на компоненти на шасито, което може да гарантира, че няма да има проблеми с шасито, когато превозното средство е в движение.

        Болт с шестостенна глава с фланец може да се използва за монтаж на домакински уреди като хладилници и перални. Тези домакински уреди ще вибрират, когато работят. Ако не са здраво свързани, те не само ще издават много шум, но и ще бъдат податливи на повреда. Те могат да свържат здраво всички компоненти на домакинските уреди, да намалят въздействието на вибрациите и да удължат живота на домакинските уреди.

        Болт с шестостенна глава с фланец се използва за сглобяване на офис бюра и столове. Независимо дали става дума за бюро с метална рамка или офис стол с функция за регулиране на височината, те могат да фиксират здраво всички компоненти. При ежедневна употреба честото преместване и регулиране на височината на бюрата и столовете няма да доведе до разпадането им.

        Произведените от нас болтове с шестостенна глава могат да предотвратят срутването на мебели за тераса. Те могат да разпределят натиска върху краката на треперещата маса.

        Използване на продукта

        Имате ли нужда от щифт за кука на ремарке, който няма да се разхлаби?

        Болтовете с шестостенна глава с фланец могат да ги фиксират здраво. Дискът на фланеца може да предотврати износването на метала на главата на болта, а формата на шестоъгълната глава може да издържи на мазната поддръжка на пътя. Не е необходимо да ги проверявате често. След монтажа можете лесно да преместите стоките.

        Горещи маркери: Болтове с шестостенна глава с фланец, Китай, производител, доставчик, фабрика
        Свързана категория
        Изпратете запитване
        Моля, не се колебайте да изпратите вашето запитване във формата по-долу. Ще ви отговорим до 24 часа.
        X
        Ние използваме бисквитки, за да ви предложим по-добро сърфиране, да анализираме трафика на сайта и да персонализираме съдържанието. Използвайки този сайт, вие се съгласявате с използването на бисквитки от наша страна. Политика за поверителност
        Отхвърляне Приеми