У дома > Продукти > Части за нитове > Пластмасова нита > Разширяваща се скоба за нитове
        Разширяваща се скоба за нитове
        • Разширяваща се скоба за нитовеРазширяваща се скоба за нитове
        • Разширяваща се скоба за нитовеРазширяваща се скоба за нитове
        • Разширяваща се скоба за нитовеРазширяваща се скоба за нитове
        • Разширяваща се скоба за нитовеРазширяваща се скоба за нитове
        • Разширяваща се скоба за нитовеРазширяваща се скоба за нитове

        Разширяваща се скоба за нитове

        Разширяваща се скоба за нитове е пластмасова закопчалка, която се монтира чрез вкарване на нейните гъвкави зъбци през отвор и след това отделянеXiaoguo® е производител с над десет години професионален опит в индустрията за закопчалки. Ние сме в състояние да доставим навреме, независимо от размера на поръчката.
        Модел:QC/T 350-1999

        Изпратете запитване

        Описание на продукта

        Най-често срещаните материали за надеждни разширяващи се скоби за нитове са подсилен със стъкло найлон 6/6 и ацетален съполимер (POM). Найлонът 6/6 е по-здрав и се справя по-добре с топлината. POM запазва формата си добре, не се трие много и издържа на многократна употреба, без да се износва.

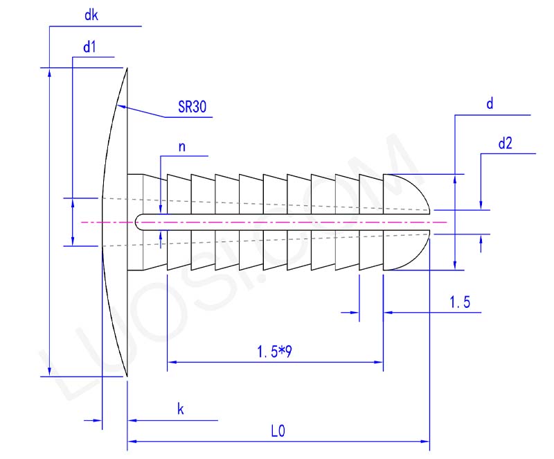
        expanding rivet clip parameter

        пн
        Φ6 Φ8
        Φ10
        d макс
        6 8 10
        d мин
        5.8 7.8 9.8
        dk макс
        16.2 16.2 18.2
        dk мин
        15.8 15.8 17.8
        k макс
        1.6 1.6 2.1
        k мин
        1.4 1.4 1.9
        L0
        20 20 22
        d1
        3 4 5
        d2
        1.5 2 3
        n
        1 1 1.5

        Тези инженерни пластмаси гарантират, че тялото на шплинта работи добре при механични натоварвания и тежки условия. За разлика от по-евтините пластмаси, те не се разграждат лесно.

        Поддръжка

        Поддържането на разширяващи се скоби за нитове е лесно. Изработени от устойчива на корозия пластмаса, те не ръждясват, елиминирайки необходимостта от антикорозионни агенти или масла. Преди употреба ги проверете за повреди, като напукване, деформация или чупливост или побеляване от продължително излагане на слънчева светлина. Подмяната е лесна; не са необходими специални инструменти. Просто издърпайте старата скоба за краката и я сменете с нова. Лесен за използване. Проверявайте редовно състоянието на скобата за нит и я сменете незабавно.

        Устойчив ли сте на UV разграждане за продължителна употреба на открито?

        Нашите стандартни разширяващи се щипки за нитове имат UV блокери, вградени веднага, когато ги правим. Дори ако са изложени на слънчева светлина за дълго време, те няма да изсъхнат, да станат крехки или да се напукат лесно.

        Тази UV защита ги кара да вършат работата си, да остават здрави, гъвкави и да се държат здраво дори при груби външни условия. Помислете за трактори, копачи, слънчеви панели, селскостопански съоръжения и т.н. В сравнение с обикновената пластмаса без нея, те просто издържат по-дълго, без да е необходимо да се суете около тях.


        Горещи маркери: Разширяваща се скоба за нитове, Китай, производител, доставчик, фабрика
        Свързана категория
        Изпратете запитване
        Моля, не се колебайте да изпратите вашето запитване във формата по-долу. Ще ви отговорим до 24 часа.
        X
        Ние използваме бисквитки, за да ви предложим по-добро сърфиране, да анализираме трафика на сайта и да персонализираме съдържанието. Използвайки този сайт, вие се съгласявате с използването на бисквитки от наша страна. Политика за поверителност
        Отхвърляне Приеми