Класовите гайки от въглеродна стомана са вид закопчалка, използвана за свързване на тънки плочи или листови метали. Те са изработени от въглеродна стомана, закалени и гасени, за да се увеличи твърдостта, а повърхността е поцинкована или по друг начин устойчива на корозия.
Уплътняващата гайка за привличане е доста проста, можете да използвате стандартни пневматични или хидравлични инструменти за клин. Ето как работи: Първо, поставете гайката в предварително пробит отвор, след това използвайте комплект за удар и умрете, за да окажете натиск. Умиращата притиска ламарината около яката на ядката на ядката, образувайки плътна механична ключалка в една бърза стъпка.
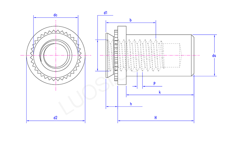
| Пон | М3-1 | М3-2 | M4-1 | M4-2 | M5-1 | M5-2 | M6-1 | M6-2 |
| P | 0.5 | 0.5 | 0.7 | 0.7 | 0.8 | 0.8 | 1 | 1 |
| DS Max | 3.84 | 3.84 | 5.2 | 5.2 | 6.35 | 6.35 | 8.75 | 8.75 |
| DC Max | 4.2 | 4.2 | 5.38 | 5.38 | 6.33 | 6.33 | 8.73 | 8.73 |
| B min | 5.3 | 5.3 | 7.1 | 7.1 | 7.1 | 7.1 | 7.8 | 7.8 |
| H Max | 0.91 | 1.38 | 0.97 | 1.38 | 0.97 | 1.38 | 1.38 | 1.38 |
| H Max | 9.85 | 9.85 | 11.45 | 11.45 | 11.45 | 11.45 | 14.55 | 14.55 |
| H min | 9.35 | 9.35 | 10.95 | 10.95 | 10.95 | 10.95 | 14.05 | 14.05 |
| K Max | 8.5 | 8.5 | 9.8 | 9.8 | 9.8 | 9.8 | 12.7 | 12.7 |
| D2 Max | 6.6 | 6.6 | 8.2 | 8.2 | 9 | 9 | 11.35 | 11.35 |
| D2 мин | 6.1 | 6.1 | 7.7 | 7.7 | 8.5 | 8.5 | 10.85 | 10.85 |
| D1 | М3 | М3 | M4 | M4 | M5 | M5 | M6 | M6 |
Запечатване на въглеродна стомана се определя от ключови измервания: размер на резбата (като M4, M5, M6 или 1/4 "-20), диаметър на яката на клина, обща височина, размери на уплътняването на шайбите и диапазона на дебелина на листа, с който работят (и мин и максимум). Можете да ги получите в стандартни метрични или имперски нишки.
Силата им на клинча (колко добре те се съпротивляват да бъдат изтласкани или усукани) се тества срещу индустриалните стандарти (помислете ISO, DIN, IFI). Избирането на правилния размер е голяма работа, гарантира, че уплътнението се държи и гайката е достатъчно силна за работата.
За да инсталирате гайката за запечатване на въглеродна стомана, се нуждаете от специализиран инструмент за клиниране и комплект, който точно съответства на размера на гайката. Първо, поставете гайката в предварително пробит отвор в ламарината. Тогава инструментът прилага контролирано налягане, което кара пилота на гайката и коктейлът да потънат в околния метал. Този процес на студено формиране заключва гайката от неръждаема стомана на място за добро и в същото време той присвива вградената уплътняваща шайба към панела. Ето как създава уплътнителното уплътнение, което прави тези ядки уникални.
