Обръч за маркуч, задвижван от тип A
        • Обръч за маркуч, задвижван от тип AОбръч за маркуч, задвижван от тип A
        • Обръч за маркуч, задвижван от тип AОбръч за маркуч, задвижван от тип A
        • Обръч за маркуч, задвижван от тип AОбръч за маркуч, задвижван от тип A
        • Обръч за маркуч, задвижван от тип AОбръч за маркуч, задвижван от тип A
        • Обръч за маркуч, задвижван от тип AОбръч за маркуч, задвижван от тип A

        Обръч за маркуч, задвижван от тип A

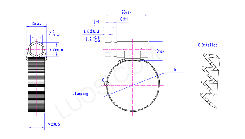
        Обръчът за маркуч с червячно задвижване от тип A е специализирано затягащо устройство, предназначено за закрепване на маркучи върху фитинги. Xiaoguo® е специализирана в производството на механични части, свързани със строителната и автомобилната индустрия.
        Модел:QC/T 620-1999

        Изпратете запитване

        Описание на продукта

        Обръчът за маркуч тип A с червячно задвижване е здрав, регулируем инструмент за закрепване на маркучи. Направен е да държи маркучите здраво върху съединители, дюзи или фиксирани изходи. Вътре има червячно зъбно колело, което завъртате с отвертка или шестограмен ключ. Когато го затегнете, той се притиска равномерно около маркуча, за да създаде сигурно прилягане.

        Тази скоба е полезна в промишлени условия, защото спира течовете дори при високо налягане или разклащане. Ако имате нужда от надеждна връзка за движещи се течности, особено в ситуации, в които безопасността има значение, това е по-добре от обикновените скоби за маркучи. Направен е здрав, така че издържа дълго време, без да се повреди.

        “A


        Предимство:

        Най-големият плюс на обръча за маркуч тип А с червячно задвижване е колко много механично предимство има и колко сигурно държи нещата на място. Дизайнът на червячната предавка ви позволява да го настроите наистина фино и той изтласква един тон сила навсякъде около маркуча равномерно. Това означава, че маркучът няма да се изплъзне или изскочи, дори когато има огромни скокове на налягането или потокът пулсира като луд.

        За разлика от онези скоби, които разчитат на триене, ако затегнете правилно тази, задвижвана от червей, тя прави уплътнение, което остава неподвижно и не се разклаща. Това е голяма работа за безопасността при работата на нещата и намалява тези скъпи изключвания, когато връзките се провалят във важни системи. По принцип той просто работи по-добре и издържа по-дълго в трудни ситуации.

        пн Φ50
        Φ60
        Φ70
        Φ80
        Φ90
        Φ100
        Φ110
        Φ120
        Φ130
        Φ140 Φ150
        Φ160
        Диапазон на затягане макс 50 60 70 80 90 100 110 120 130 140 150 160
        Диапазон на затягане мин 32 40 50 60 70 80 90 100 110 120 130 140
        h макс 1.5 1.5
        1.5
        1.5
        1.5
        1.5
        1.5
        1.5
        1.5
        1.5
        1.5
        1.5
        ч мин 0.5 0.5
        0.5
        0.5
        0.5
        0.5
        0.5
        0.5
        0.5
        0.5
        0.5
        0.5

        Материали:

        Нашият стандартен обръч за маркуч тип A с червячно задвижване е изработен предимно от здрава неръждаема стомана (като SS304 или SS316) или горещо поцинкована стомана. Скобите от неръждаема стомана издържат по-добре срещу ръжда и химикали при тежки условия като работа в морето или химическа обработка. Те издържат дълго време и запазват плътността на уплътненията дори при тежки условия.

        Горещи маркери: Обръч за маркуч тип A, задвижван от червяк, Китай, производител, доставчик, фабрика
        Свързана категория
        Изпратете запитване
        Моля, не се колебайте да изпратите вашето запитване във формата по-долу. Ще ви отговорим до 24 часа.
        X
        Ние използваме бисквитки, за да ви предложим по-добро сърфиране, да анализираме трафика на сайта и да персонализираме съдържанието. Използвайки този сайт, вие се съгласявате с използването на бисквитки от наша страна. Политика за поверителност
        Отхвърляне Приеми